AquaEnergy Expo is a global exhibition in the water and energy field which includes a magazine, a Knowledge hub, and a virtual expo.

Menu
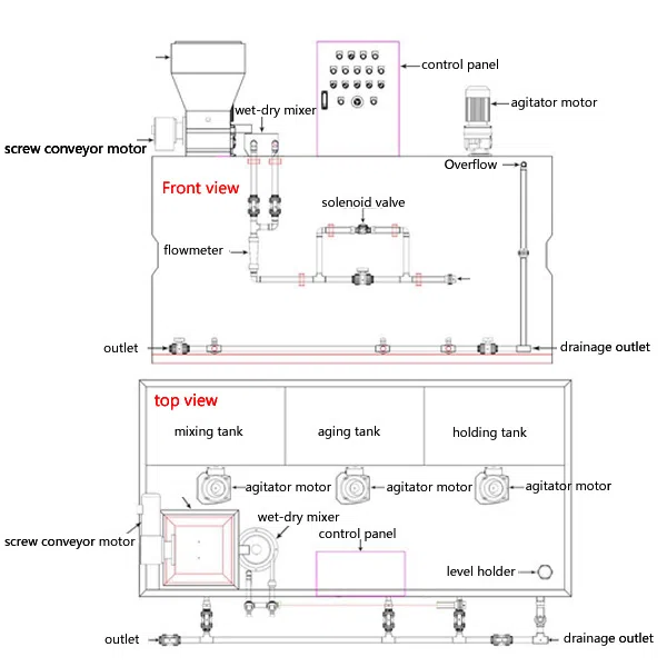
Polymer Dosing System
(0 reviews)
Get Price
(1363) Views
(0) Contacts

LK-JYJ Polymer dosing system is a complete set of equipment for administering medicine, stirring, coveying liquid, and automatic control.


Contact Company

Henan Eco Environmental Protection Equipment Co., Ltd
Henan, China
(4275) Views
(8) Contacts

The polymer dosing system is suitable for the preparation and dosing of polymer organic flocculant.  This dosing plant realizes the process of automatic feeding, dissolving, maturation, storage, meter dosing, etc. by full auto. The plant uses a three-slot structure for mixing, maturation, and storage. 
The corollary equipment is mainly composed of a dry powder feeder, dosing screw, mixer, vibrator, stirrer, liquid controller, water supply system, screw dosing pump, and control system.

  • Treatment of raw water
  • Boiler feed water
  • Oil gathering
  • Sludge dewatering treatment for all kinds of chemical dosing and wastewater treatment

Automatic control of chemical mixing, accurate dosing of coagulate, phosphate removing agent, ammonia, whitewash, corrosion inhibitor anti-sludging agent, etc.
Full SUS304 material, more durable use, and longer service life
Can be equipped with PLC control, more intelligent

Product Reviews
You must Login/Register to can submit your review

All Rights Reserved to AquaEnergy Expo © 2026